ヘボコン(西ヘボコン2015)に出場したのでその記録。出場するまでの手順~当日の流れ、苦労した点など、ヘボコン出場を考えている方、ファミコンを動かしたい方の参考になれば幸いです。
ヘボコン?
皆さんはロボコンって知ってますか? 高専生御用達的なイベントでロボットを使って、ボール入れたり、相撲したりするやつ。あれの「技術力の低い人限定」ロボットコンテストが”ヘボコン”。手作りロボットを相撲対決させます。
どんな作品が出ているのかなどは、↓の公式サイトをご覧下さい(ワールドワイドな展開を意識してて驚いた)。
- Hebocon ヘボコン Official
 https://www.facebook.com/Hebocon.Official
紹介動画
ニフティのデイリーポータルZはずっと購読していて 一度見に行ってみたいと思っていたけど、開催はいつも東京。先日、ついに大阪でもやると言う情報を得、是非見に行きたいと思ってfacebookに投稿したところ…
あれだけ見ていて楽しいイベントなら、出たらもっと面白い気がする!
ロボット的なものを作った経験は無いけれど、過去の実績を見るにタミヤの戦車キットやミニ四駆の上に何かのせるだけのも沢山出ているので、その程度ならできそう。
出場にあたって
今回の出場は申込み時にコンセプトを送り、それで選考されると書いてある。つまり、申込み時点である程度作りたい物は決まっていないとダメと言うこと(送付後 変更可)。
色々と頭では考えてみたものの、それが作れるかはさっぱり分からない。まずは中古のラジコンでも買いに行くかとハードオフへ向かったところ、置いてあった中古ラジコンは安くて3,000円くらい。うーん。出場できなかったら欲しくも無い物にこの値段はきつい。
さりとて、完成品のタミヤキットの一部を壊してヘボくしたり、直進しかできないチョロQやミニ四駆を動力とするのは個人的には避けたい…(できれば動くところも手作りしたい) と思ってジャンクコーナーに向かうと懐かしの可愛い筐体を発見。
これに、主催してる子ども向けワークショップの関係で大量に家にあるモータをつければ、なんとかなるんではないだろうか(よく考えると先のワークショップの元ネタもヘボコン主催者の石川さんだ)。
と喜んで家に帰ってから、念のため「ファミコン 動く」的なキーワードでググってみると…
- ファミコンをラジコンにする
 http://portal.nifty.com/2013/01/31/b/
よりによってDPZ。
- しかも過去にヘボコンに出てる!
 http://blogs.yahoo.co.jp/pokipoki12/26393993.html
他にも、
- ファミコンラジコン@動いた
 
うーん。やっぱり誰でも思いつくネタか。全く一緒のネタは避けたいので何とか違うものを…
DPZではラジコンを内蔵していたが、上記でも上げたとおり モータは沢山あるのでこれを利用したい。電子工作は殆ど分からないけど、「モータと電池をくっつければモータはまわる」くらいの知識はある。間にスイッチを挟めば、モータを切ったり、動かしたりもできるはずだ。
コントロールはもちろんパッドでしたい。買ってきたパッドを分解すると、古い時代の物だけに何となくシンプルに見える。ボタンは全て単純な仕組みなので、これをスイッチにできそうな気がする(後にココで苦労する)。
ただ、コントローラーを使って走らせるだけだと先の記事と同じなので、もうひとひねり欲しい。と思って本体を分解すると… この”カセット ガシャコーン”ってする部分はバネになっていて離すと元の位置に戻る。ここを使って何かできないだろうか…
と思って考えたのが、出場申込みの時にも添付した下記の画像。

画像にあるようにこの時点では何もできていないし、出場資格も得ていないのであくまで「希望」。出場資格を得てからゆっくり考えようと思い、エントリーした。
メモ
出場資格を得るにはコンセプトを書いたエントリーが必要。中古ハード屋やキットなどを買い実際触ってみた方が、色々考えも浮かぶので吉。
出場決定
どれ位の応募があり、どれ位 当選したのかは分からないが出場資格が来た。twitterを見てても発言してるのはポツポツ。
デイリーポータルZの西ヘボコン出場権ゲットしたやでー! ヘボいロボット作るよ! http://t.co/slitPQXs3F #ヘボコン
— ハゲ_チャング (@hage_chang) 2015, 3月 5
ぎゃー!やばい!ヘボコン出ることになった!! #ヘボコン
— はちもと (@hassy0512) 2015, 3月 4
やばい。ヘボコン出られる事になった。仕事してる場合じゃない。 #ヘボコン — 呑めず (@nomezu) 2015, 3月 4
とりあえず作らなければ… と思ってモータにあうタイヤ、使えそうな材料を100均やホームセンターで揃え、電池+モータをつなぎ「ウムまわる」と満足(&放置)していたら、開催まで1週間を切っていた。まずい。
作成の流れ
ファミコンを動かす。ラジコンであればハンドルがあり それでよろしくするが、技術的にそんな物は作れない。
でもモータに直接つけられるタイヤを注文したときに素敵な仕組みを教えて貰った。モータを2つ使い、前輪は可動式のコロコロに。これならモータを別々に動かせれば曲がれそうだし、一緒に動かせば前進しそう。
※若干話が長いので、ファミコンを動かすことに興味なければ、一気に完成まで飛んでください。
- ちっちゃいものくらぶ(今回のモータとタイヤはここで購入)
 http://tiisai.dip.jp/
コントローラでモータをON/OFFする
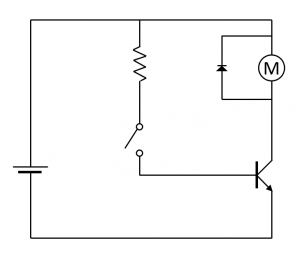
前回 分解したときにコントローラから本体へは有線ケーブルが来ていることは確認していた。まずはこれを使ってモータをON/OFFするスイッチを作りたい。
ラジコンっぽく操作するのであれば当然後退もしたいと考えgoogle様に「モータ スイッチ 逆回転」と調べると…
意味が分からない。
プラスマイナスを逆にすればモータは逆に動くので、何となく自分でもできるのは「電池ボックスを手元に持ってきて 電池を逆に入れ替える」事だが 試合中にそんな余裕があるとは思えない。
自分の設計では1つのモータに付き1つのスイッチが要り、今回は3つのモータを使いたい。線は恐らく計6本必要。1コン側では5本、2コン側ではマイクの関係で6本の線なので、2コン側を使っても線の残りは無い。
自分の技術力では 後退はできなさそうなので、潔くあきらめる事にする。
あきらめるとは書いたけど、facebookのヘボコン質問受付コーナーでは、
と解答されており(2015年での解答)、どうやら紐を引っ張れば後退もさせて良いような気がする(独自解釈。またちゃんと聞いてみます)。
と、言うことで 色んな物を切ったりはったりしながら、何とか形になった。
本当は後輪駆動のつもりだったのだが裏蓋の前後を間違え、前輪駆動に。ロボット相撲と考えると前が重たい方が有利な気もしてきたので結果オーライ。で、早速動かしてみたけど…
メモ
技術力の低い人限定だけに、ルールもそれ向けにできている。連絡掲示板もちゃんと確認すること。
モータ動かず
スイッチを押せども、全く動く気配を見せない。
コントローラパッドのスイッチを押せば通電することは事前にテスターで確認していた。また、電池とモータを使って単純に接続するとモータがまわることも確認していた。
モータを外してスイッチを押すと考えていた通り 5V位が流れるのに、モータをつないでスイッチを押すと1V位しか流れていない。何故だ… あと1日で完成まで持っていかなければならないため、困ったときの人頼み。
facebookで「↑になるけど何で?」と書いてみると、「トランジスタスイッチ、MOSFET」なる単語を教えて貰った。
と、トランジスタスイッチ? 何を言っているのか分からず「いや、プッシュスイッチで動かしたい」と謎返信した所、回路図が送られてきた。
あー。こういう機構が有るのかと思いgoogleで調べるも… 「電子回路としてスイッチをさせるという方法がある」という事は分かったけど、何故そうなるのかはさっぱり分からない。恐らく 指定された型番のトランジスタとやらと、抵抗?を買ってこれば動くんだと思う。
ただ、調べている間に「電気工作」と「電子工作」の違い的なページを見つけた。
- モータ コントロール回路 (動きモノ編)@はじめる電子回路
 http://startelc.com/elc/elc_14moterContl.html
このページを見、今回自分がやりたいのは「単純明快な電気工作」で、「電子工作では無い」と言うことが分かった。何よりヘボコンにはハイテクノロジーペナルティと言う物がある。
ハイテクノロジーペナルティ
以下の機能を独自実装するとペナルティが課せられます
*遠隔操縦
*自動操縦(各種センサーの情報や時間経過、移動距離等をトリガーとしたコントロール)
*その他、審査員が高度であると認めた機能
※ペナルティはその機能が発動した試合ごとに毎回つきます。発動しなければつきません
※技術的に稚拙な実装方法であればペナルティはつきません。
例:市販のラジコンの上にウサギのぬいぐるみを貼り付けただけのマシンは遠隔操縦の独自実装には当たりません
※「審査員が高度であると認めた機能」については制作前に確認できるように質問用スレッドを用意しています。
・ペナルティの減点数は1試合1機能あたり6点。
自分の中では、トランジスタ=ハイテクノロジーなので、これは使っちゃ駄目な機械だ。恐らく、パッドのスイッチを通った時の抵抗的な物が悪さをしているのだろうと予想し、その日は寝た。
メモ
単純な仕組み以外でモータを動かすのは、技術力が低いと難しい。
パッドの抵抗を排除
とりあえず、接点を全部消毒用エタノールで拭いてみた。真っ黒。抵抗値も随分減った。念のためボタンの黒いぽっちの部分を使ってモータがまわるかどうか試してみたところ… まわらない。これじゃダメなんだ。奥が深い。
と言うことで、パッドの全てに銅テープを貼り、線も直づけし 試してみたところ… あれほどぐずってたモータちゃんがグルグル元気にまわる!

結局全部に銅テープを貼った。”遠隔操作の独自実装”ではあるが ハイテクノロジーでは無いと思うのだが…
とりあえず仮組して真っ直ぐ進む&曲がることを確認。嬉しい!
残るは、ロケットパンチ的な奴だ…
ロケットパンチ
材料選びに100均に行ったときにコレにしようと言うのは決めてあった。
とりあえず木に穴をあけ差し込み、ガシャコン部に止める。
ピンを止めるは当然手動なので、1試合1度しか使えないのも必殺技っぽくて格好いい。
そうそう、線についてはハンダで止めた後、全部100均の伸縮チューブ(熱風を送ると縮まる便利グッズ)を使った。自分で言うのもなんだけど、自分のハンダが信用できず、移動中に何処か抜けてしまいそうなのでチューブで固めておくのは安心の一つにつながる。
メモ
困ったときは木。加工しやすくて素敵。
線をつなげたところは伸縮チューブで固めておく。
完成!

車バージョン
動画はこちら。
えっ?全然ヘボく無いって?
自分としてはロボットのくせに電子工作を使ってないし、技術的には低いと思っていたのですが、沢山の人にヘボくないと言われました。自分は重要な「ある部分」を意識して作って無かったのです。そのせいで、本番当日苦労する結果に…
ヘボコン当日
対戦順位のくじを引き、1台づつ写真撮影が行われました。約7割はタミヤ等のキットの上に装飾を施したもの。その後ルール説明などが行われ、本番へって流れ。ちなみにくじは1番。うーん。
対戦開始
マシンの特徴・必殺技/ヘボいポイントなどをアピールしてから対戦開始し、試合終了後にその感想を話すのですが、個人的にはココが一番きつかった。多くの観客を前にとっさに良い感じの言葉なんて浮かんでこない…
ただ、一番の敗因は「自分のマシンの技術的にヘボいポイントが自分ではっきりと分かって居なかった」こと。ロボコンでは技術力の高さや工夫した点をアピールすると思うのですが、ヘボコンでは「技術力の低い点」を積極的にアピールしなければなりません。
印象に残った試合は、このアピールで(動作するしないに関わらず)マシンの必殺技、世界観などバックグラウンド的な話を語り(言ったもん勝ち)、実際の試合との差異で勝負する(=笑えると)言うのが多かったので、ここは非常に重要です。
メモ
「技術の低い点」を対外的にもアピールできるように作る。
試合結果
初戦の相手は振動で移動すると言うマシンだったので、車輪がついて 自由に動き回れるこちらが有利となり勝ちました。ただ、「勝ってうれしい」と言う感情はあまり ありませんでした。勝ち進む=ヘボく無い証明となり、何のために闘っているのか… と。試合は(私はまったく言葉が出てこなかった)第一試合前のアピールタイムが一番の山場と考えるべきな気がしました(そういう意味ではその機会は全出場者に公平に与えられています)。
勝負はつきにくいかもしれませんが、電池駆動するタイヤ&キャタピラありと、なし部門で分けた試合を見てみたいなぁとも感じました。タイヤ無しで動くマシンはトリッキーでおもしろい動きをするのが多かったように思います。
初戦の対戦相手↓
西ヘボコン参加マシンできたやでー!\(^o^)/ これがワイのワイルドワイバーンや! エアロダイナミクス・モノコックボディへのタンデムツインイナーシャルモーメントドライバ搭載に苦労したでェ #ヘボコン https://t.co/3nUbaPQH0M
— ハゲ_チャング (@hage_chang) 2015, 3月 26
こんな感じの会場で試合↓(右側が私)
グランフロントではヘボコン開催中。負けていらなくなったロボットはいらないものガチャにどうぞ。 #いらなガチャ pic.twitter.com/bDnzIGM2du — 林 雄司 (@yaginome) 2015, 3月 28
ノリVSファミコンwww pic.twitter.com/IlOj5Xbi6q
— うご (@UGOEnterpris) 2015, 3月 28
第二試合は4台まとめての”さっさとふるい落とし戦”でしたが、今回優勝したアイボ(タミヤ 3チャンネル ブルドーザーキット)に力負けして押し出されました。こちらの力も弱くはないと思ってたけど、タミヤすごい…
優勝者が使ってた足回り(強い!)
その後
優勝者を決め、名誉ある一番ヘボかった賞のユーザー投票、記念撮影などが行われました。
今回ヘボ賞を取っていた作品も含め、(絶妙なタイミングで分解するなど)作者が狙ってない状態で ヘボくて笑いを取ると言うのが楽しい試合だったため、笑いを取るためにあらかじめ仕込むのではなく、精一杯ヘボく作り、ヘボの神様が降りてくれるのを待つと言うのが正しい姿勢に感じました。
最後に
マイクは辛かったですが、なんだかんだ言っても、やはり見ているよりも参加する方が楽しかったです。今後も沢山の試合が行われるのだと思います。気になる方は是非ご参加ください。
情報は下記で手に入ります。
- Hebocon ヘボコン Official
 https://www.facebook.com/Hebocon.Official
- DIYギャグ研究
 https://www.facebook.com/groups/DIY.gag/

 
  
  
  
  
































 
              







コメント
当日はお世話になりました。
ノリのアレのはげちゃんぐです。
ネットで見ていたファミコンマシンと初戦でぶつかって世間の狭さを感じました。
タミヤ製品の高品質とヘボ神様の件は全く同感でした。小細工は天然には勝てませんねー
ほとんどの参加者が勝利に向かって明後日の方向に向かってて、参加者も見学者も楽しいという点では全てのマシンが主役で楽しいイベントでした。
ちなみにノリに載せてたカメラには押し出される過程がブレブレで記録できていました。
カメラの映像見てみたいですw